전자부품 반도체 검색엔진( 무료 PDF 다운로드 ) - 데이터시트뱅크
한국어
▼
English
日本語
русский
简体中文
español
부품명
상세내역
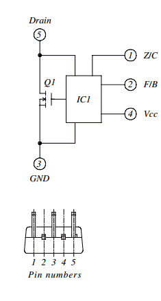
MR1721 데이터시트 - ETC
부품명
MR1721
상세내역
Standby-compatible Partial Resonance Power Supply IC Modules
Other PDF
N/A
PDF
N/A
page
N/A
File Size
N/A
제조사
ETC
Share Link:
All Rights Reserved© datasheetbank.com [
Privacy Policy
] [
Request Datasheet
] [
Contact Us
]